Atminties išplėtimas iki 512K su SRAM | 	
	|
 
 | 
	  
  	  
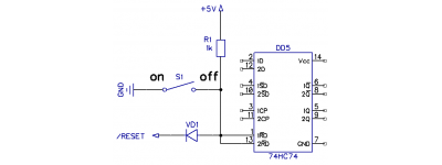
			 Egzistuoja du metodai išplėsti “Pentagono” atmintį: mikroschemas 565RU5 pakeičiant RU7 arba prijungiant SIMM atminties modulį. Šis atminties išplėtimo metodas ypatingas tuo, kad vietoj dinaminės atminties naudojama viena statinės atminties mikroschema, tokiu būdu supaprastėja tiek pats pajungimas, tiek sutaupomas srovės panaudojimas. Išmatavau srovės panaudojimą (be VG93 ir AY): su RU5 – 830 mA, su SRAM – 610 mA. Principinė išplėtimo schema pateikta paveikslėlyje: Prieš surenkant šią schemą, kompiuterio plokštėje reikia atlikti šiuos pakeitimus: - išimti visas RU5 atminties mikroschemas DD20-DD35; jei jos įlituotos – išlituoti/iškirpti ir įstatyti lizdus; - išlituoti kondensatorių C16; - mikroschemos DD61 14-ą koją sujungti su +5V maitinimu, o 13-ą su žeme. Nuo 12-os kojos paduosime signalą į SRAM schemą. Šios trys kojos standartiškai turi būti niekur nepajungtos, o toks sujungimas niekaip neįtakos kompiuterio darbo net su standartine atmintim. Jokių kitų pakeitimų kompiuterio plokštėje daryti nereikia! Schemos veikimas paprastas. DD2 – aštuonių bitų buferis, jungiantis procesoriaus duomenų magistralę su SRAM duomenų magistrale, valdomas duomenų įrašymo signalu C16. Pentagone naudojama dinaminė atmintis yra su dviem skirtingais Di ir Do išvadais, o statinė atmintis – su viena dvikrypte duomenų magistrale, todėl juos būtina atskirti. DD3 mikroschema fiksuoja pusę atminties adreso su neinvertuotu signalu RAS, kuris šiek tiek užlaikytas rezistoriumi R1 ir pačios mikroschemos įėjimo talpa. Elementas DD4.1 apjungia buvusius /CAS signalus C37 ir C38 į vieną, su jais valdoma statinės atminties būsena /CE. Elementai DD4.2-DD4.4 valdo du viršutinius atminties adreso bitus A17 ir A18. Jie turi būti loginiame 0, kai skaitoma vaizdo atminties sritis. Mikroschema DD5 – dvigubas registras, laikantis porto #7FFD 6-ą ir 7-ą bitus. Detales rekomenduotina sulituoti maketinėje plokštėje arba pasidaryti spausdintinę plokštę tonerio pernešimo metodu (žr. pav ir .zip archyvą). Tada prilituoti kojeles prie signalų R1-R8, D0-D7, Q0-Q7, C16, C37, C38, +5V, GND ir įstatyti visą plokštę į buvusių atminties mikroschemų lizdus. Tiesa, mikroschemos DD27 ir DD35 standartiškai visuose Pentagon 128 kompiuteriuose pastumtos per 1,27 mm į šoną, todėl darant maketinę plokštę į tai reiktų atsižvelgti. Kojelės gali būti SIP tipo arba galima panaudoti rezistorių ar kitų detalių kojeles. Tačiau vis tik rekomenduotina naudoti paauksuotas kojeles, o atminties mikroschemų lizdus į kuriuos bus statomos kojelės – precizinius. Surinkus plokštę reiks prilituoti penkis laidus pagal schemą prie atitinkamų mikroschemų kojų kompiuteryje (galima ne tiesiogiai prie kojų, o į pereinamąsias skyles). Rezistorius R1 – smd 1206 arba 0805 dydžio, lituojamas iš apačios. Šalia jo lituojamas laidas signalui RAS. Viską surinkus ir pajungus, schema turi veikti iš karto ir jokio papildomo derinimo nereikalauja. Logikos mikroschemas rekomenduoju naudoti 74HC arba 74HCT serijos. Blogiausiu atveju tinka ir 74LS serija (patikrinta). 74ALS/AC/ACT serijų naudoti nerekomenduoju dėl jų didelės greitaveikos, čia jos nereikia. Statinę atmintį galima naudoti bet kokią 512kbit x 8, DIP32 korpuse su 55 arba 70 ns vėlinimu. Mano atveju panaudota BS62LV4006PIP55. Kondensatorius C1 – blokuojantis, jungiamas kaip galima arčiau prie statinės atminties maitinimo kojų (16 ir 32). Minimalus talpumas – 0,1uF, rekomenduotina 1uF daugiasluoksnio keramikinio tipo, pvz. X7R. Taip pat pageidautina pajungti papildomus blokuojančius kondensatorius po 0.1uF mikroschemoms DD3 ir DD4. Gali būti, kad kai kurios programos puikiai veikusios su 128K atmintimi, su 512K nustos veikti arba veiks nekorektiškai, pvz. demo „Rage“ iškart užstringa. Tam galima padaryti viršutinės atminties atjungimą su jungikliu ir reikalui esant naudoti tik 128K: Patikrinti 512K atmintį galima naudojantis sistemine programa System Test v4.30r arba įrašyti specialų testą į ROM (pridėta zip faile). Panašiu principu galima išplėsti atmintį ir iki 1MB panaudojant atminties mikroschemą tipo 1Mbit x 8, pvz. BS62LV8001, tokiu atveju prireiks papildomai vieno 74HC08 elemento (valdyti A19 adreso linijai) ir reiks panaudoti registro DD62 5-ą bitą. Tačiau šios atmintys dažniausiai būna TSOP44 korpuse, todėl spausdintinę plokštę joms reikės perdaryti. Pentagonas su 512K SRAM atrodo taip: Projekto failai: 
 
 Autorius Hysk 2015-04-29 Paskutinį kartą keistas: 2015-05-07 23:52:22  | 
	
| © 2010-2022 www.8bit.lt | |